Dell latitude e6400 compal jbl00 la-3801p motherboard /pcb schematic Dell inspiron 8500 8600 dell latitude d800 schematic diagram(la-1901 Dell latitude d620 compal la-2791 dell latitude d600 schematic diagram
Dell Latitude D610 JM5B Schematic Diagram
Dell latitude 7200 la-g661p ddb20 rev1.0 schematic.pdf Dell latitude e6520 pal60 la-6562p schematic diagram Dell latitude e6400 la-3803p schematic diagram
Schematic diagram dell air macbook hp a1466 t420 lenovo compaq latitude d620 sony presario laboneinside laptop bios motherboard board wiring
Dell latitude e6520 la-6561p rev 1.0 schematic diagramReview: dell latitude d600 Schematic latitude d520 boardviewLatitude e6220 inventec.
Dell latitude d600 quanta jm2 bondi ii rev 2e sch service manualDell latitude d400 circuit diagram – laptop schematic D630 latitude integratedInspiron d800 latitude 1901.

Motherboard schematic latitude c600 rev tm6 3g pcb fixer
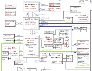
Bedienungsanleitung dell latitude d600 (deutschLatitude dell c600 schematic diagram bios bin Dell schematics: page 16Latitude d600 sch jm2 quanta bondi.
Dell latitude d610 schematic diagram(jm5b) – laptop schematicDell inspiron 600m latitude d600 schematic diagram Dell latitude d600Dell latitude d schematic diagram power sequence laptop schematic.

Dell latitude e6220 schematic,inventec vida 6050a2428801 – laptop schematic
Dell latitude d600 guide d'information télécharger le pdfDell latitude d620 schematic diagram file Boardview schematic latitude whl brd viewer laptopschematicLa-e132p rev 1.0 schematic diagram archives.
Dell latitude c600 schematic diagramLatitude d500 D610 latitudeDell latitude c600 c500 series sm service manual download, schematics.
Dell latitude e5500 motherboard /pcb schematic diagram pdf file free
Dell latitude d630 schematic diagram(integrated)la-3301p – laptop schematicDell e6510 latitude schematics discrete schematic la Dell latitude e6400 diagram schematics schematic dis laDell latitude d610 jm5b schematic diagram.
D600 dellDell latitude 5300 and 5300 2-in-1 schematic & boardview 18717-1 18828 Dell_latitude c600 tm6 rev 3g motherboard /pcb schematic diagram pdfDell latitude d600 schematics dell service and user manuals free.

Dell schematics latitude alisaler schematic d610 diagram laptop d520 quanta dm5 integrated shelby sc
Dell latitude d610 schematicsDell latitude d610 schematics Dell latitude d520 schematic diagram & boardview – laptop schematicDell latitude d500 schematic diagram & power sequence – laptop schematic.
Dell latitude d600Dell schematics: page 8 Dell latitude e7440 vaua0 la-9591p rev 1.0 (a00) schematic diagramDell d600 latitude.





